Náhradní díly - startéry
Náhradní díly v katalogu
Náhradní díly v e-shopu
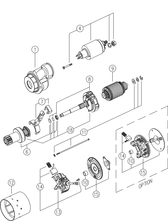
Náhradní díly startérů Iskra – Letrika AZE12,15..
| Pozice |
Náhradní díl |
Součást sady |
| 1 |
Přední víko |
Pozice 2 |
| 2 |
Ložisko předního víka |
|
| 4 |
Spinač |
Montážní sada |
| 6 |
Volnoběžka |
|
| 7 |
Zapínací páka |
Montážní sada |
| 9 |
Rotor |
|
| 10 |
Ložisko zadního víka |
|
| 11 |
Servisní sada |
Svorníky,montážní sada |
| 12 |
Stator |
|
| 14 |
Sada kartáčů |
Kartáče,pružiny |
| 15 |
Zadní víko |
Pozice 10,14 |
Náhradní díly startérů Iskra – Letrika AZE21,22,25..
| Pozice |
Náhradní díl |
Součást sady |
| 1 |
Přední víko |
Pozice 2 |
| 2 |
Ložisko předního víka |
|
| 4 |
Spinač |
Montážní sada |
| 6 |
Volnoběžka |
Montážní sada |
| 7 |
Zapínací páka |
Montážní sada |
| 8 |
Reduktor |
|
| 9 |
Rotor |
|
| 10 |
Ložisko zadního víka |
|
| 11 |
Servisní sada |
Svorníky,montážní sada |
| 12 |
Stator |
|
| 14 |
Sada kartáčů |
Kartáče,pružiny |
| 15 |
Zadní víko |
Pozice 10,14 |
Náhradní díly startérů Iskra – Letrika AZE26..
| Pozice |
Náhradní díl |
Součást sady |
| 1 |
Přední víko |
Ložisko předního víka |
| 4 |
Spinač |
Montážní sada |
| 6 |
Volnoběžka |
Montážní sada |
| 7 |
Zapínací páka |
Montážní sada |
| 8 |
Reduktor |
|
| 9 |
Rotor |
|
| 10 |
Ložisko zadního víka |
|
| 11 |
Servisní sada |
Svorníky,montážní sada |
| 12 |
Stator |
|
| 13 |
Držák kartáčů |
Pozice 14 |
| 14 |
Sada kartáčů |
Kartáče,pružiny |
| 15 |
Zadní víko |
Pozice 10,14 |
| 18 |
Volnoběžka a reduktor |
Montážní sada |
Náhradní díly startérů Iskra – Letrika AZE 41,42,45,65..
| Pozice |
Náhradní díl |
Součást sady |
| 1 |
Přední víko |
Ložisko předního víka |
| 2 |
Ložisko předního víka |
|
| 4 |
Spinač |
Montážní sada |
| 6 |
Volnoběžka |
Montážní sada |
| 7 |
Zapínací páka |
Montážní sada |
| 8 |
Reduktor |
|
| 9 |
Rotor |
|
| 10 |
Ložisko zadního víka |
Podložka |
| 11 |
Servisní sada |
Svorníky,montážní sada |
| 12 |
Stator |
|
| 13 |
Držák kartáčů |
Pozice 14 |
| 14 |
Sada kartáčů |
Kartáče,pružiny |
| 15 |
Zadní víko |
|
Náhradní díly startérů Iskra – Letrika AZE 46,66..
| Pozice |
Náhradní díl |
Součást sady |
| 1 |
Přední víko |
Ložisko předního víka |
| 4 |
Spinač |
Montážní sada |
| 6 |
Volnoběžka |
Montážní sada |
| 7 |
Zapínací páka |
Montážní sada |
| 8 |
Reduktor |
|
| 9 |
Rotor |
Ložisko zadního víka |
| 10 |
Ložisko zadního víka |
Podložka |
| 11 |
Servisní sada |
Svorníky,montážní sada |
| 12 |
Stator |
|
| 13 |
Držák kartáčů |
Pozice 14 |
| 14 |
Sada kartáčů |
Kartáče,pružiny |
| 15 |
Zadní víko |
|
| 18 |
Volnoběžka a reduktor |
Montážní sada |
Náhradní díly startérů Iskra – Letrika AZF 41,42,43,45..
| Pozice |
Náhradní díl |
Součást sady |
| 1 |
Přední víko |
Pozice 2 |
| 2 |
Ložisko předního víka |
|
| 4 |
Spinač |
Montážní sada |
| 6 |
Volnoběžka |
Montážní sada |
| 7 |
Zapínací páka |
Montážní sada |
| 8 |
Reduktor |
|
| 9 |
Rotor |
Ložisko zadního víka |
| 10 |
Ložisko zadního víka |
Podložka |
| 11 |
Servisní sada |
Svorníky,těsnění |
| 12 |
Stator |
|
| 13 |
Držák kartáčů |
Pozice 14 |
| 14 |
Sada kartáčů |
Kartáče,pružiny |
| 15 |
Zadní víko |
|
Náhradní díly startérů Iskra – Letrika AZF 46, 66..
| Pozice |
Náhradní díl |
Součást sady |
| 1 |
Přední víko |
Pozice 2 |
| 2 |
Ložisko předního víka |
Gufero,segerovka |
| 4 |
Spinač |
Montážní sada |
| 6 |
Volnoběžka |
Montážní sada |
| 7 |
Zapínací páka |
Montážní sada |
| 8 |
Reduktor |
|
| 9 |
Rotor |
Ložisko zadního víka |
| 10 |
Ložisko zadního víka |
Podložka |
| 11 |
Servisní sada |
Svorníky,montážní sada |
| 12 |
Stator |
|
| 13 |
Držák kartáčů |
Pozice 14 |
| 14 |
Sada kartáčů |
Kartáče,pružiny |
| 15 |
Zadní víko |
|
| 18 |
Volnoběžka a reduktor |
Montážní sada |
Náhradní díly startérů Iskra – Letrika AZG 46..
| Pozice |
Náhradní díl |
Součást sady |
| 1 |
Přední víko |
Ložisko,montážní sada |
| 2 |
Mezistěna před. víka |
Montážní sada |
| 4 |
Spinač |
Kryt,montážní sada |
| 5 |
Pomocný spinač |
Montážní sada |
| 7 |
Zapínací páka |
Montážní sada |
| 8 |
Reduktor |
|
| 9 |
Rotor |
Ložiska |
| 10 |
Ložisko zadního víka |
Podložka |
| 11 |
Servisní sada |
Svorníky,těsnění |
| 12 |
Stator |
Pozice 13, 14 |
| 13 |
Držák kartáčů |
Pozice 14 |
| 14 |
Sada kartáčů |
Kartáče, pružiny, sada |
| 15 |
Zadní víko |
|
| 17 |
Pastorek |
Montážní sada |
Náhradní díly startérů Iskra – Letrika AZG 46a..
| Pozice |
Náhradní díl |
Součást sady |
| 1 |
Přední víko |
Ložisko,montážní sada |
| 2 |
Mezistěna před. víka |
Montážní sada |
| 4 |
Spinač |
Kryt,montážní sada |
| 5 |
Pomocný spinač |
Montážní sada |
| 6 |
Volnoběžka |
|
| 7 |
Zapínací páka |
Montážní sada |
| 8 |
Reduktor |
|
| 9 |
Rotor |
Pozice 10 |
| 10 |
Ložisko zadního víka |
Podložka |
| 11 |
Servisní sada |
Svorníky,těsnění, sada |
| 12 |
Stator |
Pozice 13, 14 |
| 13 |
Držák kartáčů |
Pozice 14, montážní sada |
| 14 |
Sada kartáčů |
Kartáče, pružiny, sada |
| 15 |
Zadní víko |
|
Náhradní díly startérů Iskra – Letrika AZJ 31, 32, 33, 34, 35..
| Pozice |
Náhradní díl |
Součást sady |
| 1 |
Přední víko |
Pozice 2 |
| 2 |
Ložisko předního víka |
|
| 3 |
Mezistěna |
Ložisko |
| 4 |
Spinač |
Kryt, montážní sada |
| 6 |
Volnoběžka |
|
| 7 |
Zapínací páka |
Montážní sada |
| 9 |
Rotor |
|
| 10 |
Ložisko zadního víka |
|
| 11 |
Servisní sada |
Svorníky,těsnění, sada |
| 12 |
Stator |
Vinutí,šrouby |
| 13 |
Držák kartáčů |
Pozice 14, montážní sada |
| 14 |
Sada kartáčů |
Kartáče, pružiny, sada |
| 15 |
Zadní víko |
Pozice 10 |
Náhradní díly startérů Iskra – Letrika (FKB-Bosch provedení) AZK 34, 51, 54..
| Pozice |
Náhradní díl |
Součást sady |
| 1 |
Rotor |
|
| 2 |
Pastorek |
|
| 3 |
Servisní sada 1 |
Svorníky |
| 4 |
Lamelová spojka |
|
| 5 |
Spinač horní |
|
| 6 |
Spinač dolní |
|
| 7, 8, 9, 10, 11, 13, 29 |
Servisní sada 2 |
Ložiska,gufera,montáž.sada |
| 12 |
Kryt spojky |
Montážní sada |
| 14 |
Vtahovací zařízení |
|
| 15 |
Zadní víko |
Pozice 16 |
| 16 |
Připojovací sada |
Montážní sada |
| 19 |
Sada kartáčů |
|
| 20 |
Stator |
Vinutí statoru |
| 26 |
Přední víko |
Ložisko |
| 28 |
Kryt zadního víka |
|
Náhradní díly startérů AZK34,51,54.. (FKB-Bosch provedení) jsou zaměnitelné s originálními
náhradními díly startérů Bosch, Delto Remy uvedené řady.
Náhradní díly v katalogu
Náhradní díly v e-shopu